 
                    
+7 (495) 727-00-85
 
                    
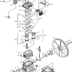
Клапанная плита в комплекте с центральной прокладкой и клапанными лепестками в сборе. Применяется на поршневых компрессорах  Fiac AB 360 и Fiac AB 248.
Клапанная плита нового образца полностью взаимозаменяема по отверстиям со старым клапанным блоком с клепаными пластинами.
Посылки отправляются в тот же день после подтверждения заказа. Стоимость доставки запасных частей и расходных материалов от 350₽ по всей России.
После предварительного согласования с менеджером, забрать запчасти можно самовывозом в тот же день по адресу: Москва, ул. Домодедовская, д. 28, офис 311 (ТД Белград).
Доставка транспортными компаниями осуществляется по набору груза но не реже, чем раз в неделю. Доставка до дверей ТК бесплатна.